Operation CHARM
: Car repair manuals for everyone.
Home
>>
Mini
>>
2006
>>
Cooper S (R53) L4-1.6L SC (W11)
>>
Repair and Diagnosis
>>
Diagrams
>>
Electrical Diagrams
>>
Drive
>>
Voltage and Power Control
>>
Charge Line
>>
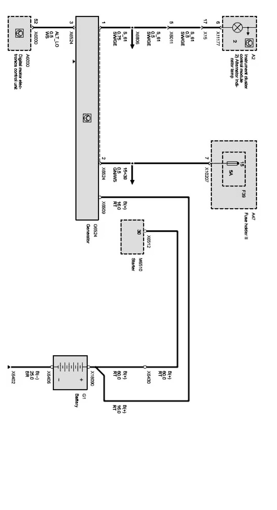
Generator (W11 Engine Up to 09/05)
Generator (W11 Engine Up to 09/05)
Generator: