Operation CHARM
: Car repair manuals for everyone.
Home
>>
Mini
>>
2006
>>
Cooper S (R53) L4-1.6L SC (W11)
>>
Repair and Diagnosis
>>
Diagrams
>>
Electrical Diagrams
>>
Drive
>>
Engine Immobilizer EWS
>>
Drive-Away Protection (W10 Engine or W11 Engine)
Drive-Away Protection (W10 Engine or W11 Engine)
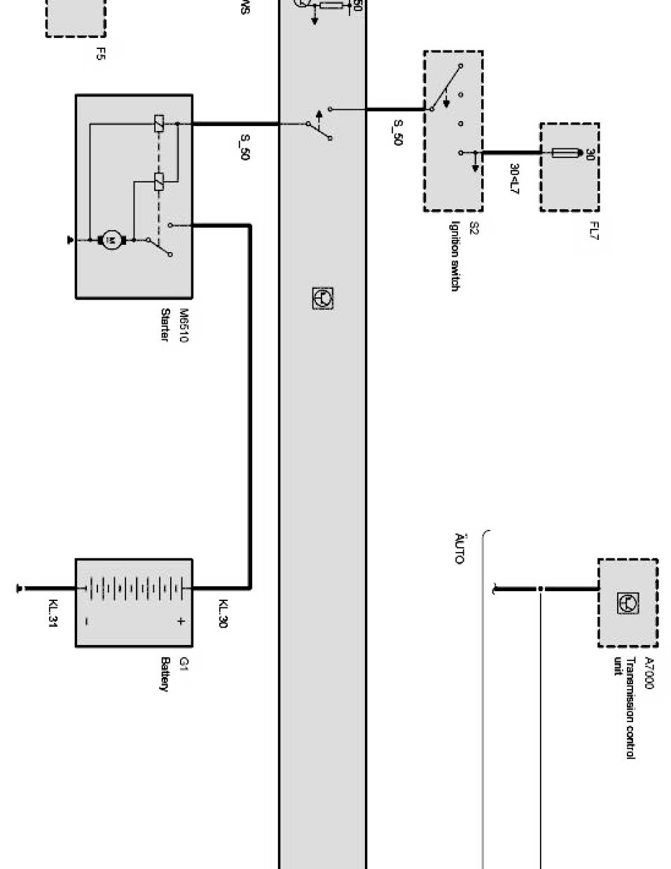
Drive-away protection Part 1:
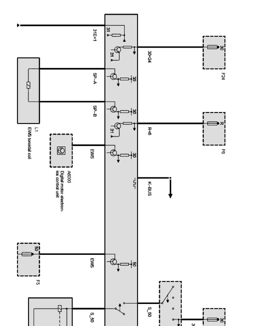
Drive-away protection Part 2:
Drive-away protection Part 3: