Operation CHARM
: Car repair manuals for everyone.
Home
>>
Mini
>>
2006
>>
Cooper S (R53) L4-1.6L SC (W11)
>>
Repair and Diagnosis
>>
Diagrams
>>
Electrical Diagrams
>>
Drive
>>
Engine and Transmission Control EMS2 (DME Digital Motor/Transmission Electronics 2)
>>
Ignition
>>
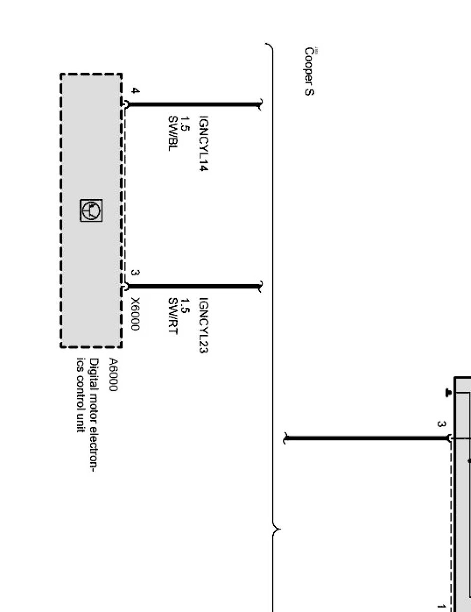
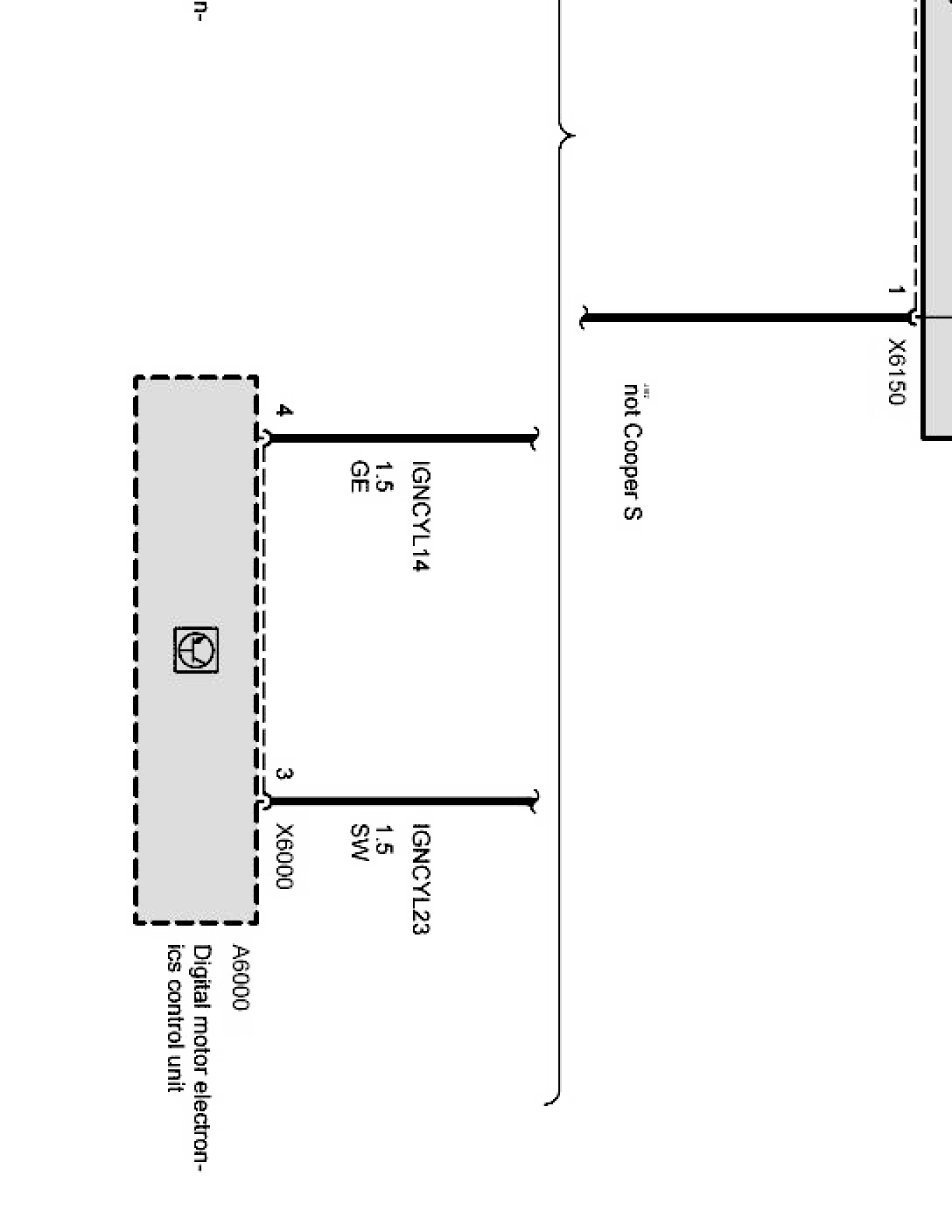
Firing, Cylinder 2
Firing, Cylinder 2
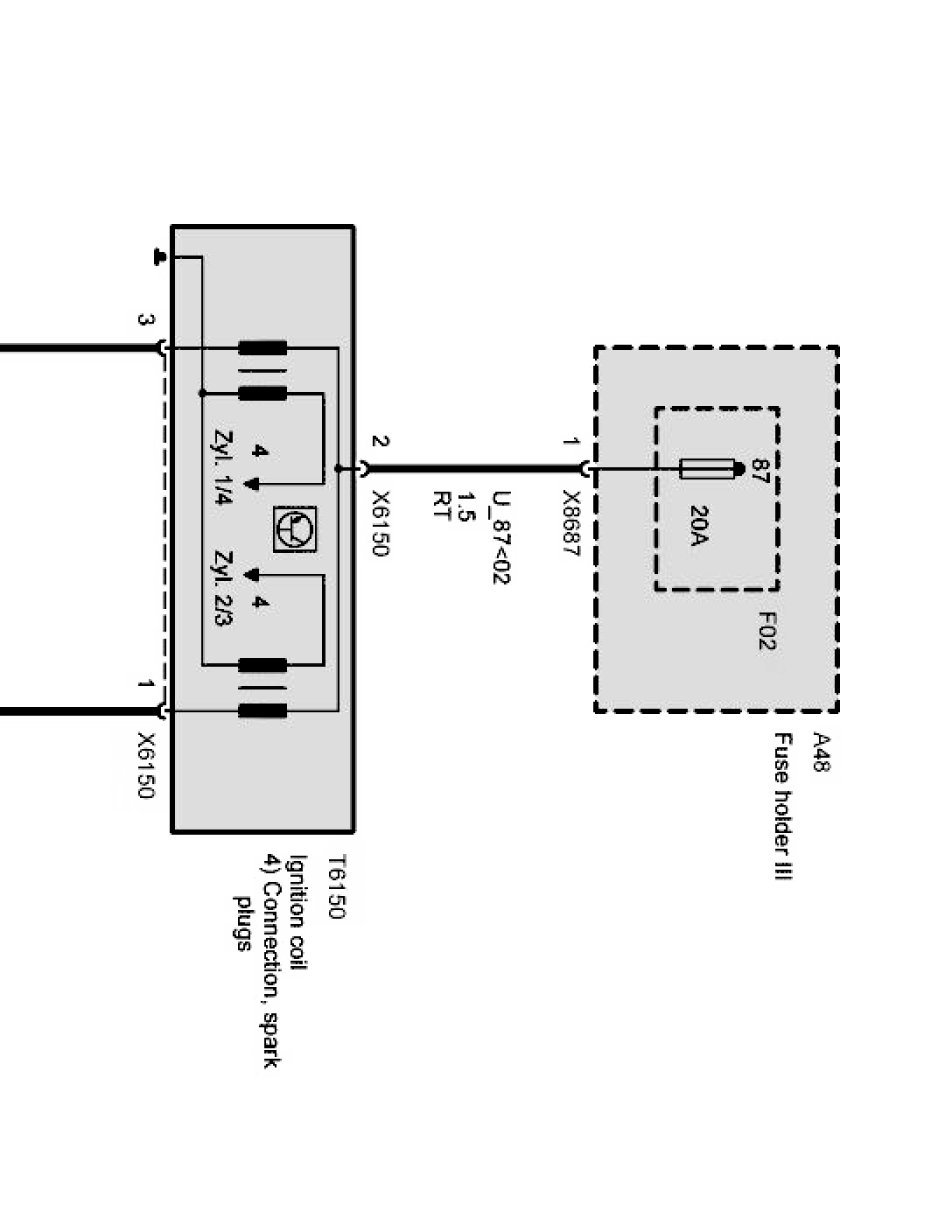
Ignition coils Part 1:
Ignition coils Part 2:
Ignition coils Part 3: