Operation CHARM
: Car repair manuals for everyone.
Home
>>
Mini
>>
2006
>>
Cooper S (R53) L4-1.6L SC (W11)
>>
Repair and Diagnosis
>>
Diagrams
>>
Electrical Diagrams
>>
Drive
>>
Engine and Transmission Control EMS2 (DME Digital Motor/Transmission Electronics 2)
>>
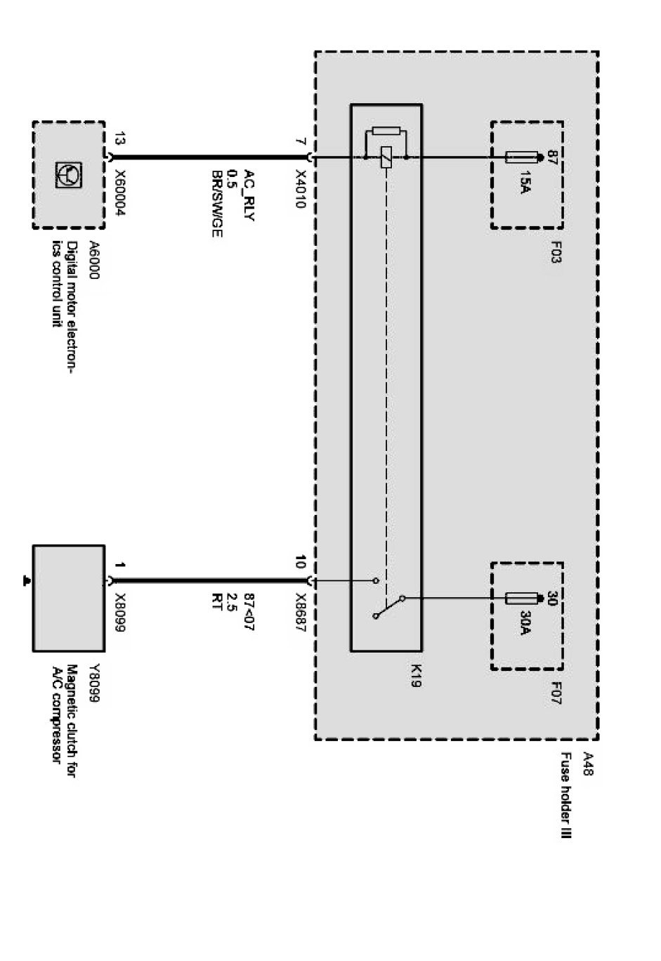
A/C-Compressor Control
A/C-Compressor Control
Compressor control: