Operation CHARM
: Car repair manuals for everyone.
Home
>>
Mini
>>
2006
>>
Cooper S (R53) L4-1.6L SC (W11)
>>
Repair and Diagnosis
>>
Diagrams
>>
Electrical Diagrams
>>
Chassis
>>
Slip Control Systems
>>
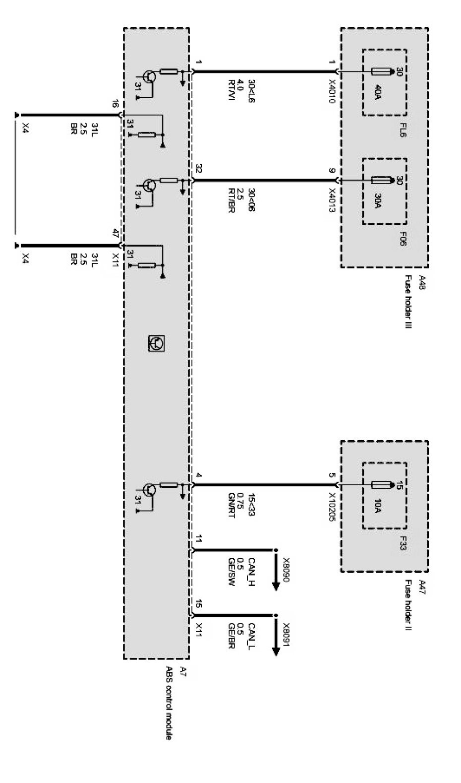
ASC MK60 (ASC Automatic Stability Control)
>>
Supply
Supply
Supply: