Operation CHARM
: Car repair manuals for everyone.
Home
>>
Mini
>>
2006
>>
Cooper S (R53) L4-1.6L SC (W11)
>>
Repair and Diagnosis
>>
Diagrams
>>
Electrical Diagrams
>>
Chassis
>>
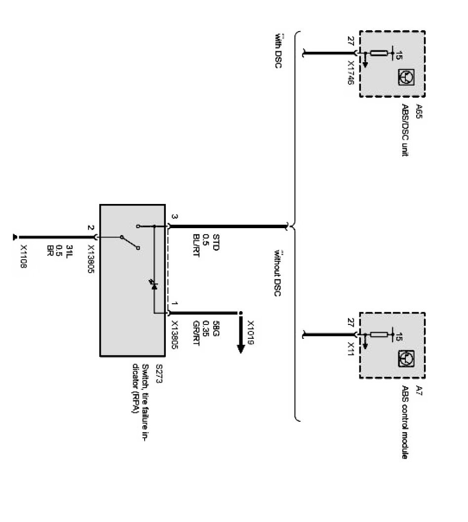
Tire Defect Indicator (ABS/ASC/DSC Dynamic Stability Control As of 03/02)
>>
Button RPA
Button RPA
RPA switch: