Operation CHARM
: Car repair manuals for everyone.
Home
>>
Mini
>>
2006
>>
Cooper S (R53) L4-1.6L SC (W11)
>>
Repair and Diagnosis
>>
Diagrams
>>
Electrical Diagrams
>>
Body
>>
Wipe and Wash Functions
>>
Washer Fluid Level Display (As of 01/05)
>>
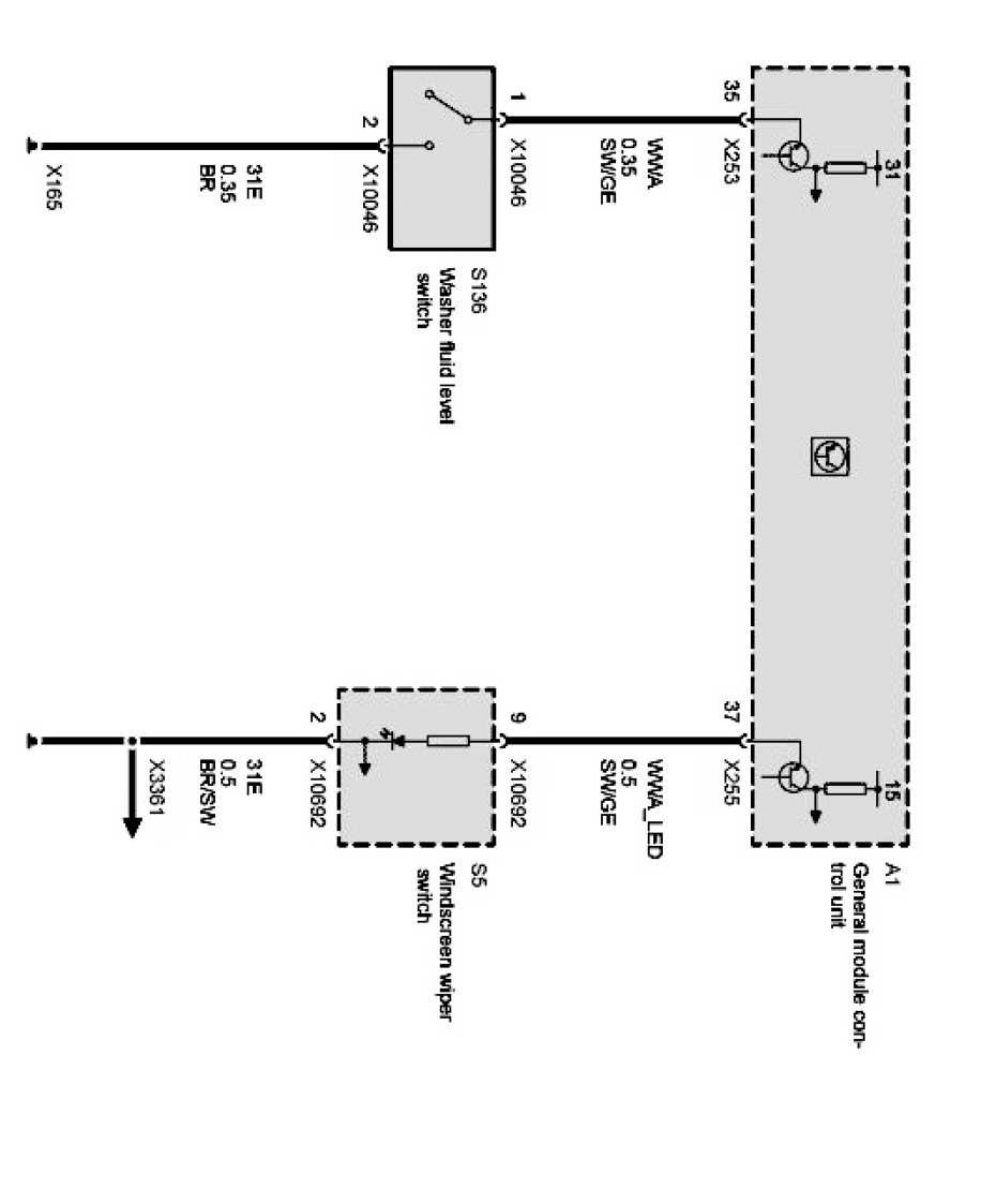
Washer Fluid Level Switch
Washer Fluid Level Switch
Washer fluid level: