Operation CHARM
: Car repair manuals for everyone.
Home
>>
Mini
>>
2006
>>
Cooper S (R53) L4-1.6L SC (W11)
>>
Repair and Diagnosis
>>
Diagrams
>>
Electrical Diagrams
>>
Body
>>
Locking and Security Functions
>>
Central Locking System
>>
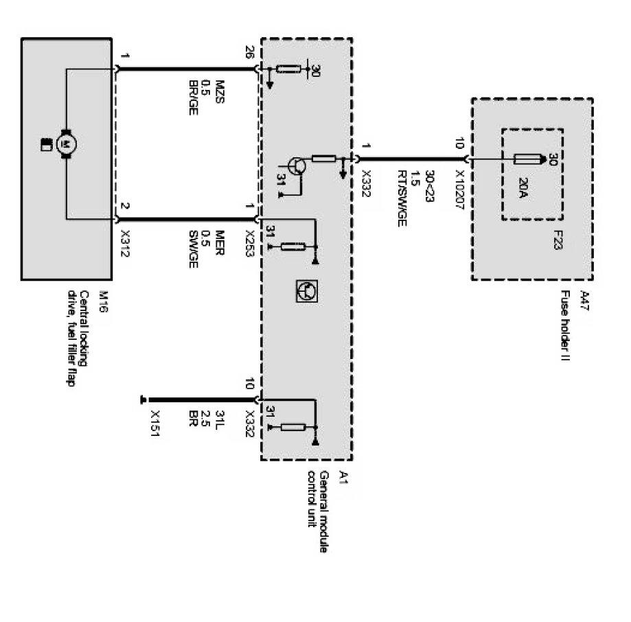
Fuel Tank Access Flap Lock Motor
>>
Fuel Tank Access Flap Lock Motor (As of 09/05 Up to 09/06)
Fuel Tank Access Flap Lock Motor (As of 09/05 Up to 09/06)
Fuel tank access flap lock motor: