Operation CHARM
: Car repair manuals for everyone.
Home
>>
Mini
>>
2006
>>
Cooper S (R53) L4-1.6L SC (W11)
>>
Repair and Diagnosis
>>
Diagrams
>>
Electrical Diagrams
>>
Body
>>
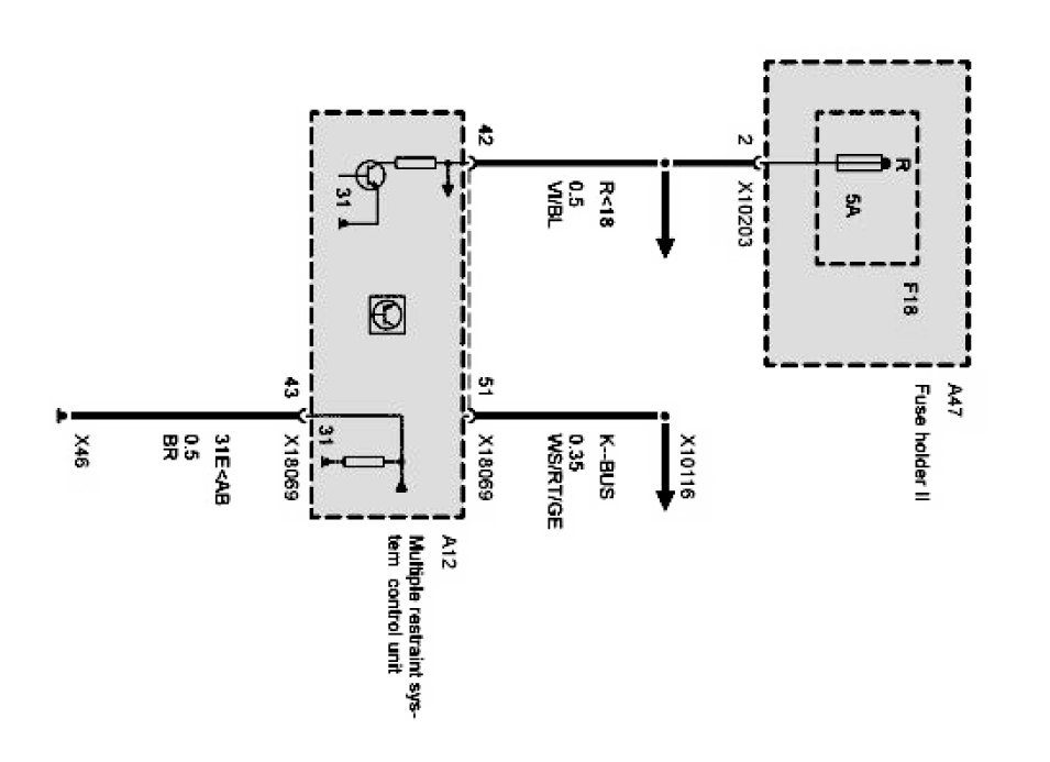
Restraint Functions (MRS Multiple Restraint System V)
>>
Voltage Supply
Voltage Supply
Supply, K-bus: