Operation CHARM
: Car repair manuals for everyone.
Home
>>
Mini
>>
2006
>>
Cooper S (R53) L4-1.6L SC (W11)
>>
Repair and Diagnosis
>>
Diagrams
>>
Electrical Diagrams
>>
Body
>>
Lighting
>>
Interior Lights
>>
Switch
>>
Switch, Interior Light
Switch, Interior Light
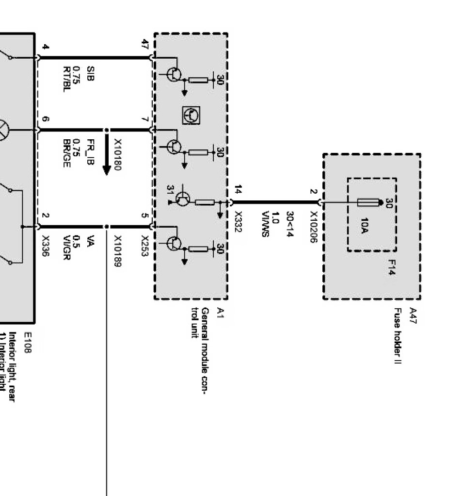
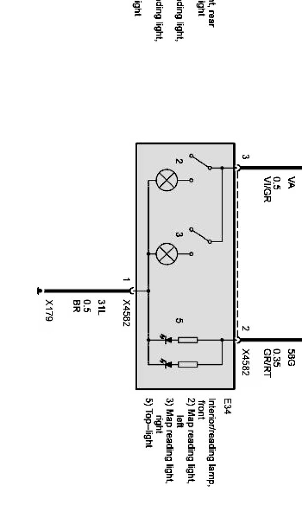
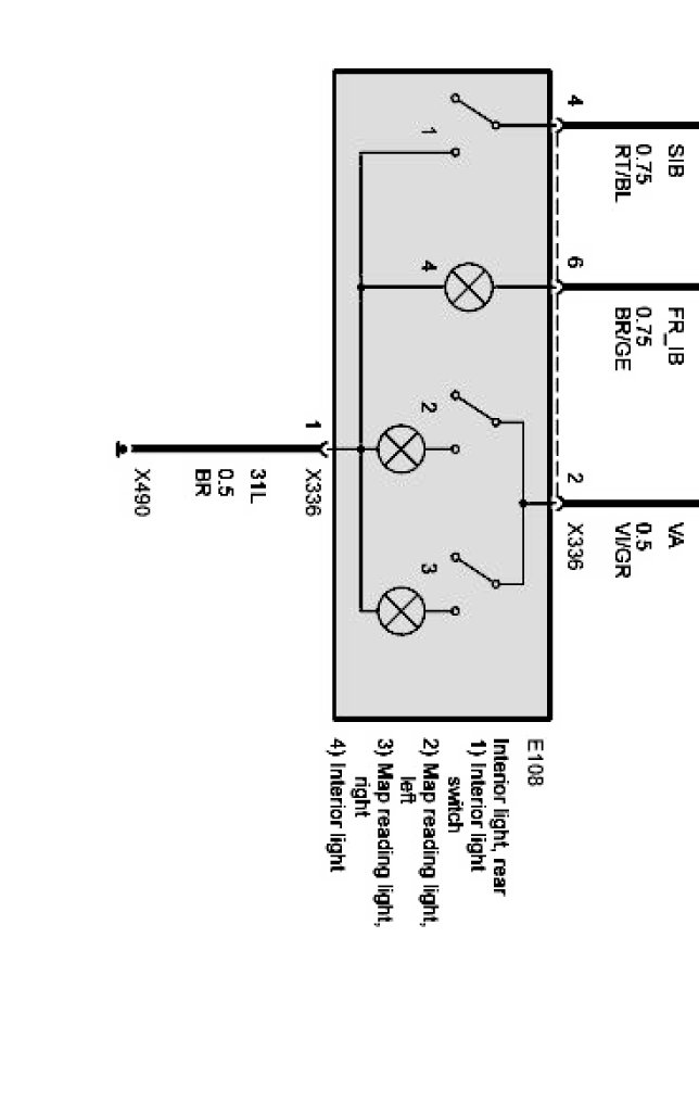
Interior lights Part 1:
Interior lights Part 2:
Interior lights Part 3:
Interior lights Part 4: