Operation CHARM
: Car repair manuals for everyone.
Home
>>
Mini
>>
2006
>>
Cooper S (R53) L4-1.6L SC (W11)
>>
Repair and Diagnosis
>>
Diagrams
>>
Electrical Diagrams
>>
Body
>>
Lighting
>>
Turn Signal Indicator
>>
Turn Signal, Right Front/Side
Turn Signal, Right Front/Side
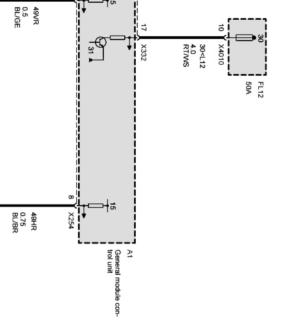
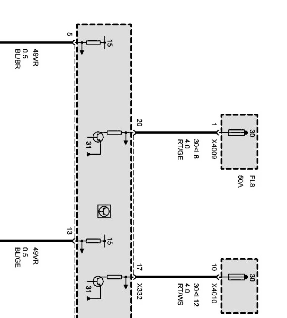
Right turn signal lamp Part 1:
Right turn signal lamp Part 2:
Right turn signal lamp Part 3:
Right turn signal lamp Part 4: