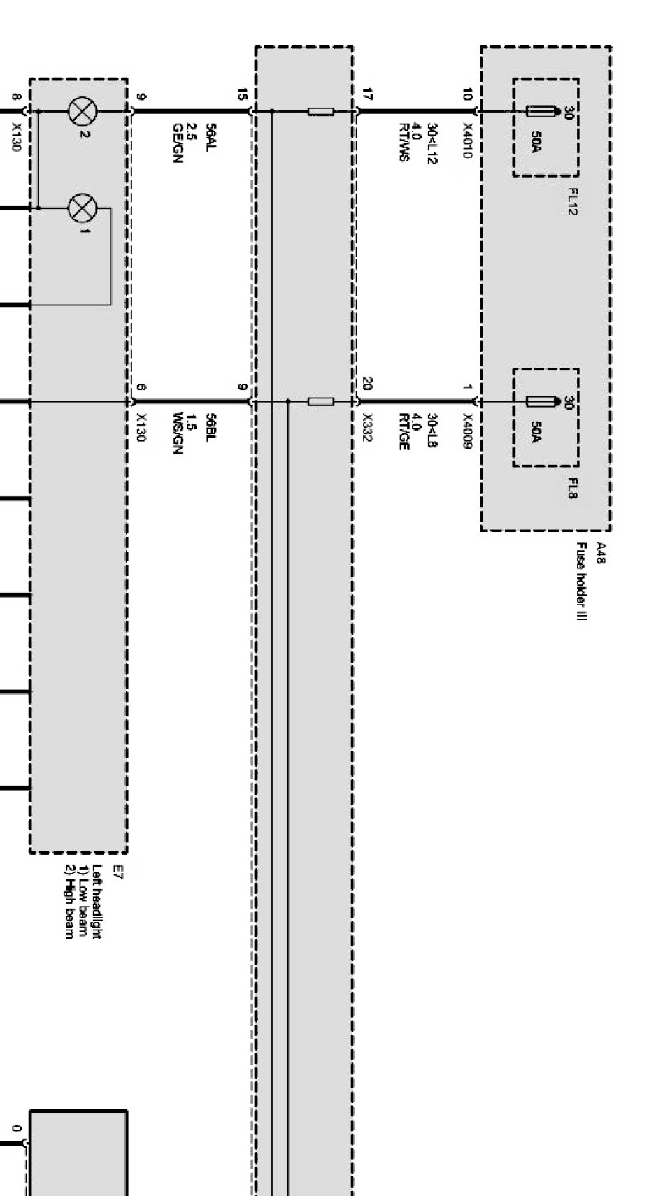
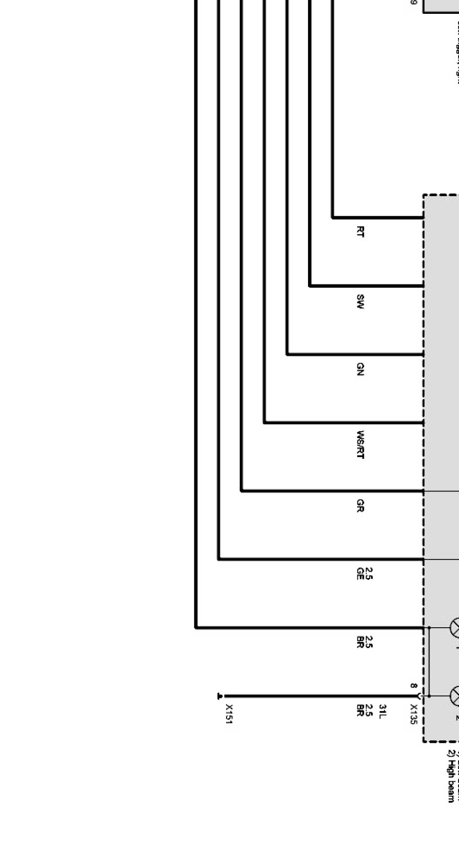
Voltage Supply, Right
Low beam light High beam light Part 1:

Low beam light High beam light Part 2:

Low beam light High beam light Part 3:

Low beam light High beam light Part 4:

Low beam light High beam light Part 5:

Low beam light High beam light Part 6:

Low beam light High beam light Part 7:

Low beam light High beam light Part 8:
