Operation CHARM
: Car repair manuals for everyone.
Home
>>
Mini
>>
2006
>>
Cooper S (R53) L4-1.6L SC (W11)
>>
Repair and Diagnosis
>>
Diagrams
>>
Electrical Diagrams
>>
Body
>>
Heating and Air Conditioning Functions
>>
Heated Windshield and Rear Window
>>
Switch, Rear Window Defroster
>>
Rear Window Defogger (IHKA Automatic Heating/Air Conditioning System Up to 09/05)
Rear Window Defogger (IHKA Automatic Heating/Air Conditioning System Up to 09/05)
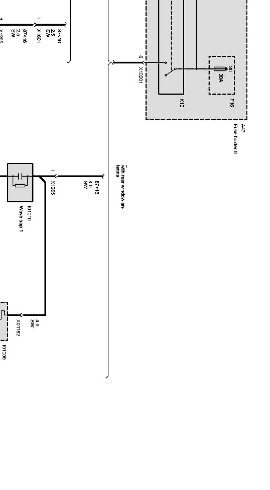
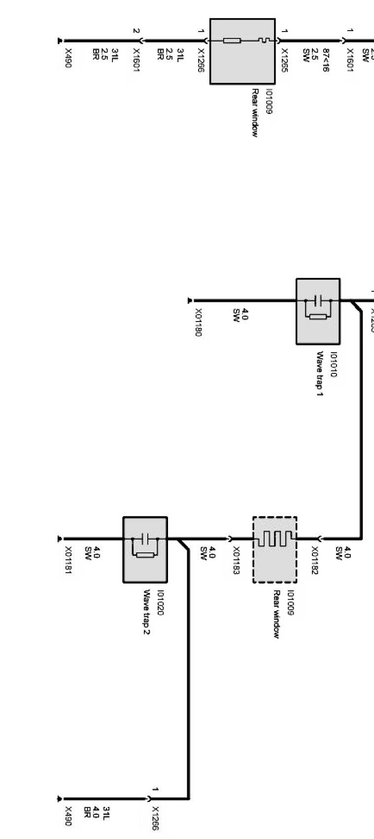
Rear window defogger Part 1:
Rear window defogger Part 2:
Rear window defogger Part 3:
Rear window defogger Part 4: