Windshield Wiping/Washing
Wipers and Washers
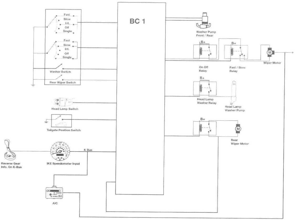
Wiper and washer functions for the front windshield, rear window, optional Rain Sensor, and headlight washing systems are controlled by the BC1. The BC1 via external relays controls the front and rear wash/wipe system of MINI. The operating controls for all functions are performed from a central point at the right steering column stalk.
Purpose of System
The purpose of the wiper/washer systems is to provide safe driving conditions through the cleaning of the windshield, back glass and headlights.
The wipe/wash system consists of the following components:
- BC1
- Wiper Switch
- Wiper Relays
- Wiper Motor
- Windshield Washer Pump
- AIC (Optional)
- Headlamp Washer System (Optional)
- Rear Wiper/Washer System (Optional)
System Components
BC1
The BC1 receives input from the wiper switch and activates the wiper relays based on other input criteria (eg. Speed signal over K-Bus, AIC input, Headlamp switch status, Tailgate position).
The BC1 controls all front and rear wiper and washing functions as well as the headlamp washing function.
Wiper/Stalk Switch
The wiper/stalk switch located on the right side of the steering column can assume the Flick (momentary), OFF (Park), intermittent wipe, slow and fast positions. These five positions are encoded across two cables. Additionally the switch requests windshield washing and rear wiping.
Wiper Stalk Switch signals the BC1 for all wiper/washer requests.
Wiper Relays
Wiper Relays:

The wipers are controlled by two relays, located in the engine compartment fuse box. These are wired in such a way that one relay will run the wiper when energized, and stall it when de-energized (Front Wiper-Run/Park Relay).
The other will select either fast or slow speed on the wiper motor (Front Wiper-Fast/ Slow Relay).
Wiper Motor
The wiper motor and linkage is situated in the air intake plenum area, mounted directly to the body bulkhead. The wiper motor incorporates the reset contact which serves two functions: to park the motor and the block protection feature.
Windshield Washer Pump
The washer pump for the front and rear screen is a single unit with two outlets. The pump and washer bottle is located in the right front wheel arch area.
AIC (Automatic Interval Control)
The automatic interval control (AIC) has the task of controlling the frequency of the wipers in relation to the intensity of the rain and/or the wetness of the windshield. The AIC (rain sensor) is an optical system. The unit transmits infrared light and the reflection of the light back from the windshield is then calculated within the control unit.
In addition to the wiper switch, wiper motor and Body Control Module (BC1) the Automatic Interval Control is made up of the following components:
- AIC optical body (prism)
- Control unit
The AIC optical body, the prism, is firmly stuck to the inner side of the windshield underneath the mirror base attachment and is not a serviceable component; it cannot be removed/refitted in the workshop. Replacement windshields are supplied with the AIC prism already fitted. The prism installation point is selected so that the optics are situated in the wiper's field for both left-hand and right-hand drive vehicles.

The control unit clips to the prism and can be replaced independently from the optical unit. The AIC control unit contains:
- Infrared transmitter and receiver
- Heating measuring optics
- PE (photo electric) cell
- Evaluation electronics
Headlamp Wash System
The headlight wash system is available as an option. An external relay in the A post fuse box is controlled by the BC1. The washer pump and bottle is located in the left front wheel arch area.

The headlamp power wash pump, is controlled by a relay mounted in the passenger compartment fuse box. A low side switch in the BC1 activates it.
Rear Wiper/Washer System
The rear wipe/wash system is relay controlled and operational with the ignition in position 1. The relay for the wiper motor is fixed to the backside of the A post fuse box and cannot be replaced. The rear wiper/washer system includes the following components:
- Wiper/Stalk Switch
- Rear Wiper Motor
- Rear Wiper Relay
- Shared Washer Pump
The Rear Wiper Motor is attached to the Tailgate.

The Rear Wiper Relay is integral to the passenger compartment fuse box and cannot be serviced separately.
Principle of Operation
Single Wipe
Moving the wiper stalk down will initiate a flick wipe. The function of this position is that while the switch is held on, the wiper will run at fast speed continuously. When the switch is released, the wiper will change to slow speed, until the park position is reached
Intermittent Wipe
The intermittent wipe frequency is dependent on road speed, which the BC1 receives over the K-bus. The delay times and speed classes are:
Wiper/Washer System IPO

Speeds 1 and 2
Road speed has no influence over wiper speed 1(Slow). If the wiper switch is set to speed 2 (Fast) and the vehicle speed falls < 8 km/h the wipers will switch to speed 1.
If the wiper switch is moved while the vehicle is stationary (< 8 km/h) then the speed dependent function is ignored and the wipers will perform as if the vehicle was moving (> 8 km/h). In this way, the customer can over ride speed dependent function if required. This function can be enabled or disabled using DISplus.
AIC (Optional Rain Sensor)
Rain sensor operation is the same as that of E38, E39 and E46. The AIC is activated with the wiper switch in the intermittent position from ignition position 1. If the wiper switch is already in the intermittent position when the ignition is switched to position 1 or 2, AIC will not be active. When the wiper switch is moved from intermittent to OFF and back to the intermittent position, the AIC will be active again.
The BC1 sends the wiper switch position to the AIC via a K-bus telegram. The AIC controls the time interval pauses from zero to infinity depending on the wetness of the windshield. The AIC will transmit a K-bus message every 10 seconds when the wiper switch is on intermittent if the screen is dry (indicating that the AIC is functional), or more often if it is wet. If the BC1 does not receive this telegram for a period greater than 12 seconds, then the AIC function will be disabled and normal intermittent function adopted. A fault code is generated. If the AIC system fails, the intermittent wipe function recognized by vehicles without AIC, is employed.
BC1
A ground signal from the BC1 energizes the wiper relays (both for the front and rear wipers). The BC1 also provides a ground signal for the headlamp washer relay. Washer pump operation (front and rear washers) is controlled by the BC1 through a reversing of polarity to the washer pump.
Inputs to the BC1 include:
- Wiper Switch
- Front Wiper Speed Request
- Front Washer request
- Rear Wiper Request
- Rear Washer Request
- Headlamp Switch (For headlamp wash functions)
- Tailgate position Switch (For rear wiper functions)
- K-Bus
- Vehicle speed
- AIC Status
- Park Contacts
- Front Wiper Motor (Park Position and Stall Protection)
- Rear Wiper Motor (Park Position and Stall Protection)
Wiper Stalk Switch
Coded ground signals are input to the BC1 from the Wiper Stalk Switch to accommodate wiper functions. Switched grounds are also provided to request washer (front or rear)and rear wiper activation.
Wiper Relays
The two Wiper Relays work in conjunction with each other to provide power to the wiper motor for Slow or Fast operation.
Both Relays are powered (Relay Term 86) by fuse F09. The On/Off Relay, a 4 pin relay receives its energizing ground (Term 85) from the BC1. The Fast/Slow Relay, a 6 pin relay, also receives its energizing ground (Term85) from the BC1. While the On/Off relay functions as a standard on/off type relay, the Fast/Slow relay operates as a switch over type relay. The at rest state of the On/Off relay is off (no power flowing through the points) and the rest state of the Fast/Slow relay is on (power flowing through one of the point sets to the slow connection of the wiper Motor).
The energized state of the On/Off relay provides power to the fast/slow relay so that while the fast/slow relay is not energized B+ flows to the slow speed connection on the wiper motor. When the Fast/Slow relay is energized by the BC1, the points are switched over to supply B+ to the Fast speed connection on the wiper motor.
On/Off and Fast/Slow wiper relays for the front wipers.
Wiper Motor
The Wiper Motor has two B+ connections, one for slow speed operation and one for fast speed. The ground side of the wiper motor includes a reset contact that sends a ground signal to the BC1 once per revolution of the motor. This reset contact is used for park positioning and stall protection.
When the wiper motor is in the park position, the reset contact is an open (High) circuit. The wiper on/off relay will be de-energized if the reset contact does not go High at least once every 18 seconds.
Windshield Washer System
The washer pump has two inputs, when it is driven in one direction it feeds water to the front screen and when reversed it feeds water to the rear screen.
At rest, both sides are connected to ground, but when running, the current will flow in either direction. The circuit is protected by a 10A fuse, which requires 15A for 1 second to blow. The normal running current is 4A with a stall current of 7A.
Headlamp Washer System
The headlamp power wash pump, is controlled by a relay mounted in the passenger compartment fuse box. A low side switch in the BC1 activates it.
The system will function when the low or high beam lights are on. The headlights are washed with two squirts with a pause of 5 seconds between wash cycles. After activation a 10-minute inhibit function is active - this can be over-ridden by activating the washer switch four times in succession.
Headlight Power Wash Relay:

Rear Wipe/Wash System
When the rear wiper switch is activated, the rear wiper relay output is pulled low, energizing the relay, switching the motor on.
The BC1 receives a low signal (switched to ground) when the wiper is parked. Time between park events is monitored to detect stalling or freezing of the mechanism. The wiper motor relay is energized until the wiper has completed three wipes (counted by monitoring the rear park switch). Once this continuous phase has finished, the wiper switches to intermittent operation as follows:
- If the front wipers are on intermittent (AIC not fitted), slow or fast: The ratio of front wipes to rear wipes is 3:1 with rear wiper start synchronized with the front wiper start.
- If front wipers are off or on intermittent (AIC fitted), then one wipe for every 10 (+/-) 1 sec after start of previous rear wipe cycle will apply.
The BC1 monitors the park contact within the rear motor and will deactivate the relay if the signal is not received within 5 seconds of activating the relay - this prevents damage to the motor in the event of the wiper jamming.
The rear wiper system is disabled with the tailgate open. The BC1 looks at the tailgate position switch after receiving a request for rear wiper activation and delays the request if the tailgate is open. Turning the rear wiper switch off then back on will over-ride the tailgate position. Rear wiper operation is also possible at speeds above 6km/h regardless of tailgate position.