Operation CHARM
: Car repair manuals for everyone.
Home
>>
Mini
>>
2006
>>
Cooper S (R53) L4-1.6L SC (W11)
>>
Parts and Labor
>>
Steering and Suspension
>>
Suspension
>>
Images
Images
Front Suspension:
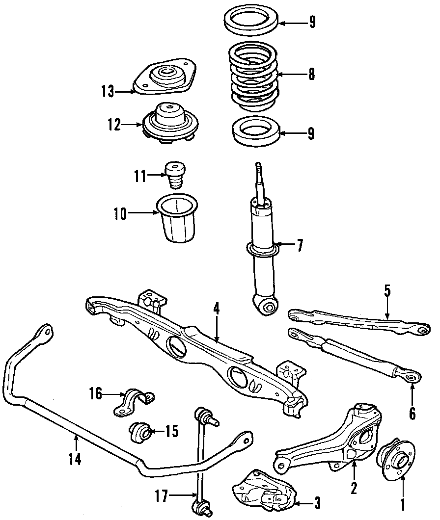
Rear Suspension: