Part 1
Power supply E70A composite unit of hardware and software ensures the power supply for the vehicle systems. Essential for the power supply are two software functions:
1. Energy management
2. Power management
The energy management ensures that sufficient starter motor current is always available.
The energy management monitors the vehicle even with the engine at a standstill.
The energy management includes all components in the vehicle that generate, store and consume energy.
The data for the energy management is distributed across a number of control modules.
The power management a subsystem of the energy management.
The power management is run from the engine control module (DME or DDE: Digital Engine Electronics or Digital Diesel Electronics).
While the vehicle is being driven, the power management regulates the power output of the alternator as well as the battery charging.
Brief description of components
The following components for power supply are described:
- Battery
- Alternator
- Junction Box Electronics
- Distribution box
- Intelligent battery sensor
- Car Access System
- Digital Engine Electronics /or Digital Diesel Electronics
- Multiple Restraint System
- Bit-serial data interface
- Battery cables
- Relay box


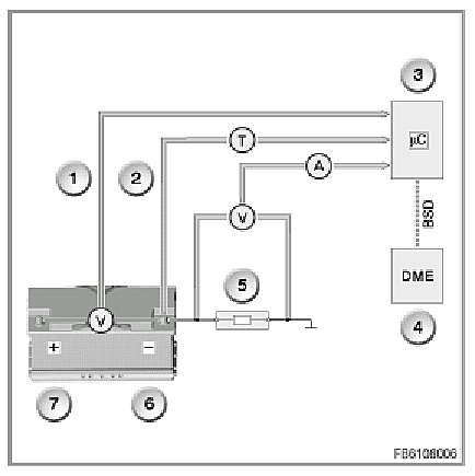
System circuit diagram
Battery
The capacity of the built-in battery depends on the engine used and the vehicle equipment. Selection criteria for the required capacity are:
- the cold-start characteristics of the engine
- the closed-circuit current consumption of the vehicle
- the energy requirement of the auxiliary consumer units (independent heating, telephone, etc.)
Alternator
With the engine running, the alternator generates a variable charge voltage for battery charging. The variable charge voltage is influenced by the power management depending on the temperature and current by the DME/DDE raising the engine speed.
JBE: Junction Box Electronics
The JBE is the central data interface in the vehicle (gateway for the buses).
The JBE is a component of the junction box. The junction box is an assembly consisting of the junction box electronics and front distribution box. The front distribution box and JBE can not be replaced individually. The distribution boxes contain fuses and relays. Particularly important for the power supply are the following relays:
- Relay terminal 15 (rear distribution box)
- Relay terminal 30 g for consumer unit shutdown (rear and front distribution boxes)
- Relay terminal 30 g-f for cutoff in the event of faults (rear distribution box)
Distribution box
There are the following distribution boxes:
- Distribution box in the engine compartment: E-box
- Distribution box at front in the junction box
- Rear distribution box
- Fuse block
The fuse block can only be completely replaced. The fuses can not be replaced individually. The fuse block contains fuses for the following consumer units:
- Valvetronic
- Common rail (fuel injection on diesel engine)
- Electric auxiliary heater
- Distribution at front in the junction box electronics
- Rear distribution box
- Intelligent battery sensor
- Electric fan (8-cylinder diesel engine)
IBS: Intelligent battery sensor
The IBS is a mechatronic, intelligent battery sensor with its own microprocessor. The microprocessor is a component of the electronic module. The electronic module records the voltage, the current flowing and the temperature of the battery.
The following components are fitted in the electronic module:
- a shunt (resistor for current measurement)
- a temperature sensor
- electronic evaluation unit on a board
The IBS continuously measures the following values on the battery:
- Terminal voltage
- Charge current
- Discharge current
- Temperature of the battery


For data transmission, the IBS is connected to the DME (Digital Engine Electronics) or DDE (Digital Diesel Electronics) via the BSD (bit-serial data interface).
This measurement data is queried while the vehicle is being driven and when the vehicle is at a standstill:
- Vehicle being driven:
- Calculation of the battery status as basis for the battery charge state (SOC: "State of Charge") and battery condition (SOH: State of Health"). Balancing the charge and discharge current of the battery. Continuous monitoring of the battery charge state and transfer of the data.
- Calculation of the current characteristics on engine start to ascertain the battery condition. While the vehicle is being driven, the IBS transfers the data across the bit-serial data interface (BSD) to the engine control module (DME/DDE). The software in the IBS controls the communication with the higher-level engine control module (DME/DDE).
- Vehicle at a standstill
When the vehicle is at a standstill, the measured values are queried in cycles to detect energy losses.
The IBS is programmed in such a way that it wakes up every 40 seconds to update the measured values with a new measurement. The measurement takes approx. 50 milliseconds (ms). The measured values are entered in the IBS in the memory for recording the closed-circuit current. After restarting the engine, the DME/DDE reads out the course of the closed-circuit current. If there is a deviation from the defined course of the closed-circuit current, an entry is made in the fault memory of the DME/DDE.
CAS: Car Access System
The Car Access System participates in the terminal control (terminal R, terminal 15, terminal 30 g).
The terminal control delivers essential messages for the power supply. The CAS is connected to the following components and control modules:
- The Car Access System is connected by a direct cable with the START-STOP button and with the insert compartment for the identification sensor. The START-STOP button and the insert compartment are beside the steering column.
- The starter motor and the DME or DDE are connected to the CAS. The CAS control module is equipment attached to the bus on the K-CAN.
DME or DDE: Digital Engine Electronics /or Digital Diesel Electronics
The DME or DDE contribute to the power supply as follows: If the alternator voltage falls, DME/DDE increase the engine speed depending on the requirement. The software for this is called "power management". The DME/DDE is equipment attached to the bus on the PT-CAN (Powertrain Controller Area Network). The DME/DDE evaluates the current battery condition. This means that the DME/DDE also influences terminal 30 g-f.
MRS: Multiple Restraint System
If the restraint systems trigger, the MRS control module sends a message to other control modules. Depending on the severity of the accident, e.g. the DME switches off the electric fuel pump.
Bit-serial data interface
The bit-serial data interface is the data line between the engine control module (DME or DDE) and the alternator.
Battery cable
2 battery cables connect the battery with the engine compartment:
- One of the battery cables leads across the starting-aid terminal to the starter motor and to the alternator. This battery cable is monitored by the crash safety module.
- The other cable is for the power supply and it leads to the fuse block.
Relay box
What is fitted depends on the engine and national version.
- Valvetronic relay on petrol engines
- Secondary air pump relay (only US version with petrol engine)
- Relay for common rail (only diesel engines)
System functions
The following system functions are described for the power supply:
- Power management ("Advanced Power Management")
- Emergency operation on failure of the bit-serial data interface
- Energy management
Power supply for the control modules, consumer shutdown of auxiliary consumer units as well as closed-circuit current monitoring
- Data interchange for the power supply
Power management


Power management is software in the engine control module (DME/DDE: Digital Engine Electronics or Digital Diesel Electronics). The power management calculates the target values for control of the power supply. For the model series E70, exclusively Advanced Power Management (APM) is deployed.
The main factor for the greater range of functions of the Advanced Power Management is the intelligent battery sensor (IBS). The IBS provides the power management with information on the battery status. Calculation of the temperature of the battery using the outside temperature is no longer necessary. The temperature of the battery is measured directly by the IBS.
The Advanced Power Management can perform the following functions:
- Increase in idle speed
On vehicles with petrol engines, the idle speed is raised by up to 200 rpm as soon as power is taken from the battery despite the alternator having maximum load. On diesel engines, no idle-speed increase is required. Reason: between the alternator and combustion engine, the final drive ratio is higher than on a petrol engine. This means the alternator has a high speed even at idle speed. The power output of the alternator is also high at idle speed. Raising the speed is not necessary.
- Optimized charge voltage
The alternator voltage is regulated depending on the calculated temperature of the battery. The temperature of the battery is calculated on the basis of the outside temperature. According to the temperature of the battery, the target values for the charge voltage are calculated. This information is sent across the bit-serial data interface to the regulator in the alternator.
- Battery test
- Energy diagnosis
- Deactivation of individual consumer units or reduction of the power consumption On vehicles with IBS, if required consumer units are reduced or switched off completely, even while the engine is running. While the vehicle is being driven, only consumer units that are not relevant to safety and not immediately perceptible are reduced or switched off completely, e.g.: clocking of the heated rear window or clocking of the seat heating, reduction of the air-conditioning blower drive by a fraction, etc. On vehicles with diesel engines, the power consumption of the electrical auxiliary heater is regulated. The cutoff of individual consumer units or reduction of the power consumption lowers the power consumption in critical situations. This prevents the battery from discharging. The consumer unit shutdown is only activated under 2 conditions:
- Battery charge state in the critical range
- Alternator subjected to full load
- Control of the electrical auxiliary heater
On vehicles with diesel engines and without independent heating, the heat exchanger for the heating system is heated additionally with an electrical auxiliary heater based on the PTC principle. The electrical auxiliary heater is one of the consumer units that need a relatively high amount of power (up to 1200 W) and it is thus regulated by power management. Furthermore, another electrical auxiliary heater (600 W) is used in the rear on vehicles with rear air conditioning. These high electrical loads are regulated as follows:
- The IHKA control module controls the electrical auxiliary heater (via LIN bus) and the FKA control module controls the electrical auxiliary heater in the rear (with a pulse-width modulated signal).
- The DDE regulates the maximum electrical power output of the electrical auxiliary heater (signal in a CAN message). The maximum power output of the electrical auxiliary heater depends on the utilization of the alternator as follows:
- Alternator used up to 70 %: the electrical auxiliary heater is allocated full electrical power.
- Alternator load between 70 % and 80 %: the electrical auxiliary heater may retain the power output but not increase it.
- Alternator used up to 80 %: the electrical auxiliary heater must continuously reduce the power output to 0 %.
- The electrical auxiliary heater regulates the heat output of the heating register depending on the specifications of the DDE.
Energy management
The energy management monitors and controls the energy household of the vehicle. The monitoring and control are the result of merging various components on one circuit. The energy management links functions or signals and characteristic curves for the generation and output of control signals. The following functions are described:
- Terminal control
- Data interchange in energy management
- Power supply when the vehicle is at a standstill
- Quiescent current monitoring
Terminal control
Many consumer units are connected via terminal 30 g or terminal 30 g-f to the power supply.
Certain consumer units, however, are still supplied directly by terminal 30, e.g. the anti-theft alarm system must also be active with the ignition switched off.
Data interchange in energy management
With the engine at a standstill, certain consumer units are switched off via terminal 30 g as follows: The CAS (Car Access System) switches the relay terminal 30 g off (time-controlled).
Power supply when the vehicle is at a standstill
For the power supply of the consumer units, the following terminals are known to date:
- Terminal 30: Continuous +
Various consumer unit are still directly connected to terminal 30.
- Terminal R
The CAS switches terminal R.
- Terminal 15
The CAS switches terminal 15.
- Terminal 30 g: Switched continuous +
Time-dependent cutoff:
the relay terminal 30 g is always present.
The relay terminal 30 g switches the connected consumer units off approx. 30 minutes after terminal R Off. If a telephone is fitted in the vehicle, the after-run time is extended to 60 minutes. The relay terminal 30 g is activated by the Car Access System (CAS).
- Terminal 30 g-f: Deactivation in the event of a fault:
In the event of faults, the relay terminal 30 g-f switches the connected consumer units off. The relay terminal 30 g-f is controlled by the junction box electronics. The junction box electronics (JBE) monitor the closed-circuit current when the vehicle is at a standstill. The following faults can be detected:
- Unauthorized waking operations on the bus systems
- Control modules that keep the bus systems continuously active (inhibit "sleep")
The following switch-off and switch-on conditions apply to the relay terminal 30 g-f:
- Cutout conditions:
- Reception of the message "Signal off".
After 5 minutes, relay terminal 30 g-f is switched off.
- The battery status is continuously read out and evaluated in the engine control module. If the starting capability of the vehicle battery is insufficient, the relay is also switched off.
- Data interchange on the buses for 10 minutes after deactivation of terminal 30 g without a switch-on condition.
- Vehicle is 'wakened' 20 times after deactivation of terminal 30 g without a switch-on condition.
Relay terminal 30 g-f is a bi-stable relay. Each switch mode is retained even without current. Under normal conditions, the relay is always switched on. In the event of a fault, the relay switches the connected consumer units off.
- Switch-on conditions:
When the relay terminal 30 g-f is switched off, it can only by switched on again with defined conditions required for switch-on. Conditions required for switch-on for relay terminal 30 g-f:
- Unlock vehicle
- Opening the luggage compartment lid / bonnet or door
- Switching on terminal R
Quiescent current monitoring
Closed-circuit current monitoring is necessary for a variety of reasons.
- Maintaining starting capability of the battery:
The energy management sends a request to cut off the auxiliary consumer units when the starting capability of the battery is insufficient. The auxiliary consumer units must deactivate their functions independent of the terminal status and have reached their closed-circuit current after 5 minutes.
- Load deactivation
Certain consumer units may be active even though the closed-circuit current monitoring of the energy management is already running. The consumer units are switched off according to different criteria and are divided into the following categories:
- Comfort-related consumer units
- Rear-window defroster (demister)
- Seat heating
The comfort-related consumer units switch off automatically after engine OFF. The switched off comfort-related consumer units can only be reactivated after a new start of the engine.
- Legally prescribed auxiliary consumer units
- Sidelights
- Hazard warning lights
The legally prescribed auxiliary consumer units must remain operational after engine OFF as long as this is possible. These auxiliary consumer units are not even switched off when the limit of starting capability of the battery is reached.
- Stationary consumers
- Independent heating
- Independent ventilation
- Communication components
(displays, terminal 30 g, Telematic services)
The auxiliary consumer units listed can be switched on after engine OFF. The auxiliary consumer units switch themselves off when the limit of starting capability of the battery is reached. The cutoff is requested by the DME/DDE by means of a CAN message.
- Units with after-run due to factors inherent in the system
- Electrical radiator fan
The units with after-run due to factors inherent in the system can retain their function for a certain time after engine OFF.
Data interchange for the power supply
The CAS (Car Access System) forwards the data of the terminal control as follows:
- Terminal R ON or OFF
- Terminal 15 ON or OFF
- etc.
The CAS (Car Access System) switches the corresponding relays for the following terminals:
- Terminal 15
- Terminal 30 g
The JBE (junction box electronics) switches the corresponding relay for the following terminal:
- Terminal 30 g-f
The control modules at these terminals are supplied with voltage and "woken up". The corresponding vehicle systems are activated.
The consumer units are mainly supplied via terminal 30 g and terminal 30 g-f. Certain consumer units, however, are still supplied directly by terminal 30, e.g. the anti-theft alarm system must also be active with the ignition switched off.
If the battery current in the idle state of the vehicle (as of 68 minutes after terminal R Off) exceeds the value of 80 Milliamperes mA) (can be set at the factory), a fault memory entry is stored in the DME/DDE and a Check Control message is displayed to the customer (increased discharge of the battery in the idle state).
If there is a suspicion of increased power consumption, a closed-circuit current measurement should be carried out without fail.
Emergency operation on failure of the bit-serial interface
If the bit-serial data interface between the engine control module and alternator is interrupted, the alternator voltage is regulated to a constant 14.3 Volts.
Notes for Service department
General information
The following general data is provided:
- Trickle charge for the battery
- Protection of the intelligent battery sensor
- Battery replacement
- Alternator
Trickle charge for the battery
Note: Do not connect the trickle charger to the lighter.
The lighter is supplied with voltage by the distribution box in the junction box across a relay. After terminal 15 OFF, this relay de-energizes. This means that a trickle charger connected at the lighter would be disconnected from the battery. Only charge the battery via the starting-aid terminal. This is the only way the energy supply can be registered by the vehicle.
Protection of the intelligent battery sensor
CAUTION: Risk of destruction if subjected to mechanical stress.
- Do not attach any additional connections to the negative terminal of the battery.
- Do not modify the ground cable. The ground cable also carries off heat.
- Do not set up a connection between the IBS (intelligent battery sensor) and the sensor screw.
- When disconnecting the pole piece from the battery terminal, do not use force:
- Do not pull on the ground cable.
- Do not apply any tool under the IBS to lever out the pole piece.
- Do not use connections of the IBS as levers.
- Use a torque wrench and set the tightening torque in accordance with repair instructions.
- Do not slacken or tighten the sensor screw (Torx screw).
- Avoid contact between the IBS and ground.
Battery replacement
CAUTION: Risk of destroying the IBS and cables when replacing the battery.
When replacing the battery, the IBS (intelligent battery sensor) and cables can be destroyed due to mechanical stress. When replacing the battery, observe the following:
- Always proceed in accordance with repair instructions.
- Avoid mechanical stress of the integrated battery sensor.
Note: On replacing the battery, run the service function "Register battery replacement".
On replacing the battery, use the battery size (capacity) fitted as series standard. The battery size required for the vehicle is coded in the Car Access System (CAS) and in the engine electronics (DME/DDE).
- If a battery with a different capacity is fitted, recode the CAS. Run retrofit "Battery" with Progman.
- Delete fault code memory entries with reference to the replacing the battery in the engine control module.
Alternator
The alternator model fitted depends on the engine used and the vehicle equipment.