Operation CHARM
: Car repair manuals for everyone.
Home
>>
GMC
>>
2001
>>
C 1500 Yukon 2WD V8-5.3L VIN T
>>
Repair and Diagnosis
>>
Maintenance
>>
Filters
>>
Air Cleaner Housing
>>
Locations
>>
Component Locations
>>
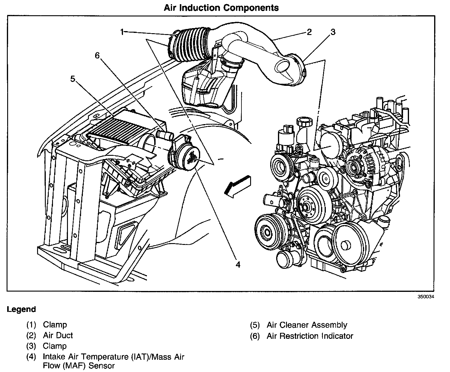
Air Cleaner Assembly
Air Cleaner Assembly
Locations View: